光功率預測+安全智能管控:安科瑞Acrel-1000DP分布式光伏監控系統
安科瑞 崔麗潔
摘 要:常規能源以煤、石油、天然氣為主,不僅資源有限,而且會造成嚴重的大氣污染,開發清潔的可再生能源已經成為當今發展的重要任務,“節能優先,效率為本”的分布式發電能源符合社會發展要求。
隨著“雙碳”目標的推進,如今清潔能源所占比重大幅度增加,分布式光伏發電在我國快速發展,但其隨機性、間歇性的特點給新能源消納和電網穩定帶來很大的挑戰,通過預測光伏發電可以在一定程度上改善新能源消納問題,減少光伏發電的不穩定性對電網的沖擊。本文介紹了安科瑞Acrel-1000DP分布式光伏監控系統以及光功率預測系統在上海汽車變速器有限公司8.3MWp分布式光伏發電項目中的應用。
關鍵詞:清潔能源;分布式光伏;光功率預測
1
項目概述
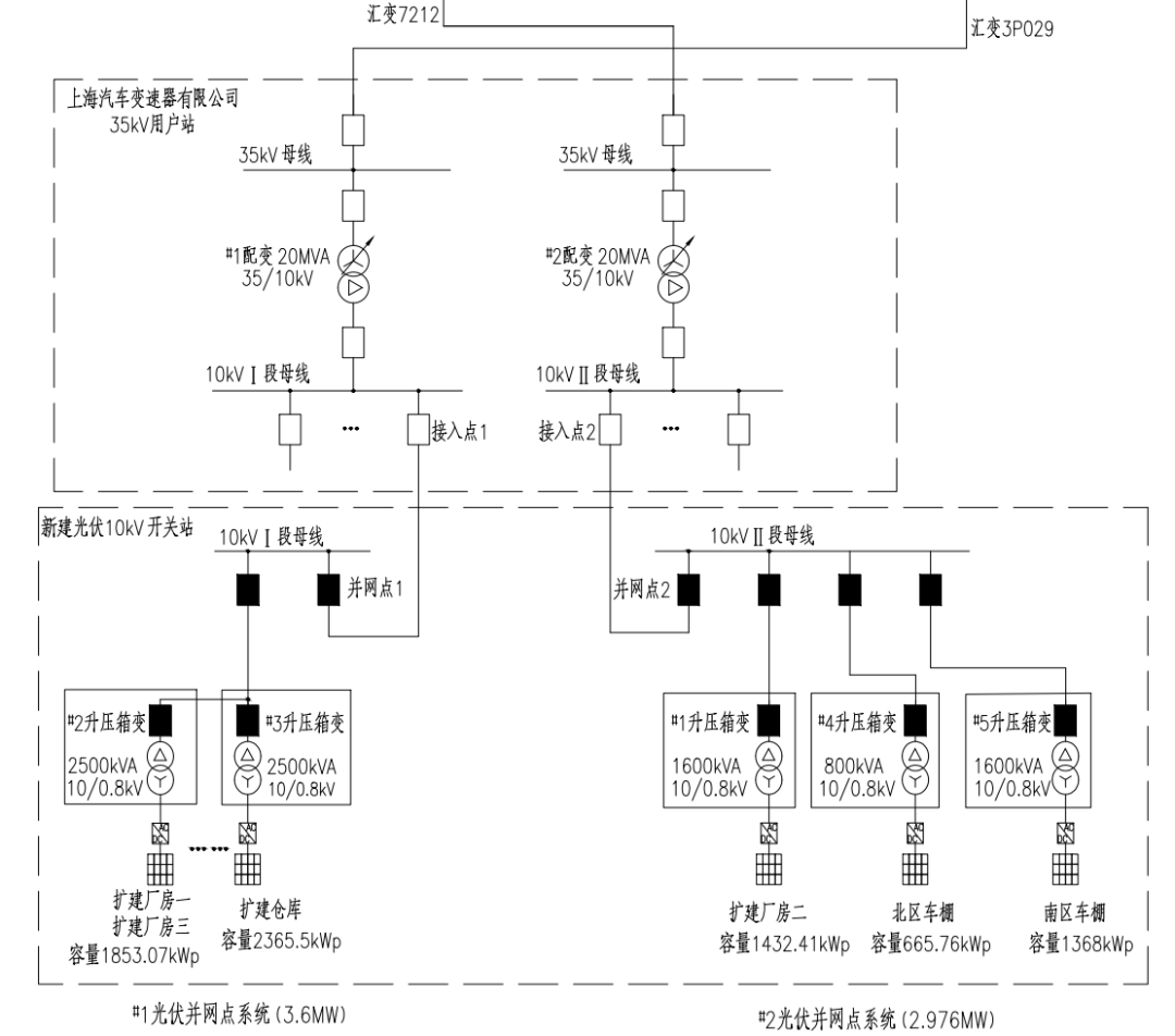
上海汽車變速器有限公司屋頂光伏發電項目(以下簡稱“本項目”),位于上海市嘉定區,裝機容量為8.3MW,采用自發自用余電上網模式。本項目現役35kV用戶站1座,站內2臺35kV主變,容量均為20MVA。本次光伏設計2個并網點,新建一座10kV開關站,光伏組件逆變為0.8kV交流電壓,經升壓后2個并網點以10kV電壓等級分別接入35kV用戶站的10kVⅠ段母線、Ⅱ段母線,并網點容量分別為3.6MW、2.976MW。
本項目采集光伏站內的電流、電壓、有功、無功、功率因數、有功電度、無功電度及斷路器狀態等信息,通過數據通信終端采用無線公網作為傳輸通道接入地調系統。
2
分布式光伏設計
本項目電量消納方式采用“自發自用,余電上網”,光伏單晶硅組件采用平鋪設計,共使用14382塊組件組成527個組串,每個組串包含15~28塊數量不等的組件。
項目新建5臺箱變,共有2.5MVA變壓器2臺,1.6MVA變壓器2臺,0.8MVA變壓器1臺,箱變分別接4、5、7、2、6臺逆變器,每臺光伏逆變器接9~27路數量不等的組串。其中#2、#3箱變匯總接入10kV開關站內#1匯集進線柜,通過#1光伏并網柜接入35kV變電站10kVⅠ段母線#1光伏接入柜,#1并網點容量為3.6MW;#1、#4、#5箱變分別接入10kV開關站內#2、#3、#4匯集進線柜,通過#2光伏并網柜接入35kV變電站10kVⅡ段母線#2光伏接入柜,#2并網點容量為2.976MW。
圖2.1 光伏接入系統示意圖
圖2.2 光伏組件布置圖
3
技術方案
本項目部署了一套Acrel-1000DP分布式光伏監控系統,搭配一套光功率預測系統,用于預測光伏發電量、響應調度調控。
光伏電站中5臺箱變之間通過光纖環網,保證數據長距離的穩定傳輸,通過通信管理機及網絡交換機實時采集微機保護裝置、電能質量在線監測裝置、計量、遠動系統等二次設備數據,實現光伏發電系統監控與自動化管理;同時,配置對時裝置、遠動裝置滿足系統與上級調度的需求,配置一套一體化電源系統,為二次設備及監控主機等重要設備運行提供穩定可靠的電源,實現整個光伏系統的安全、穩定運行。
3.1.安全自動裝置
1)故障解列裝置
裝置能夠監測電網的實時狀態,一旦檢測到異常或故障信號,如短路、過載等,它會立即啟動,迅速切斷故障區域與非故障區域之間的電氣連接。既能防止故障設備對電網造成進一步損害,也確保其他單元的正常運行,保障用戶的電力需求。
2)防孤島裝置
在電網失電的情況下,分布式電源未能夠及時與電網斷開連接,會形成孤島狀態,這種狀態可能造成分布式電源不可控、電網恢復時電壓和頻率不匹配等問題,也可能導致電力工作人員在不知情的情況下進行危險操作。防孤島裝置通過實時監測電網狀態,一旦檢測到電網斷電,能夠在規定的時間內迅速切斷分布式電源與電網的連接,從而保障電網的安全運行和維修人員的人身安全。
3)電能質量在線監測裝置
電能質量在線監測裝置是一種用于實時監測和分析電力系統中電能質量的高科技設備。其主要功能包括對電壓、電流、頻率、諧波、閃變、波動等關鍵電能質量參數進行測量和記錄,裝置能夠及時識別出電能質量問題,如電壓波動、諧波污染及瞬態電壓等,從而為電力用戶提供有效的改進建議。
3.2.調度數據網設備
1)縱向加密裝置
縱向加密裝置通過采用加密技術,來確保信息在傳輸過程中的機密性和完整性。裝置通過將數據進行加密處理,使得即使信息在傳輸過程中被截獲,未經授權的第三方也無法解讀其中的內容。
2)正反向隔離裝置
正反向隔離裝置通過物理或邏輯手段將不同安全等級的網絡區域隔離開來,有效防止了網絡間的直接通信,從而避免了潛在的信息泄露和攻擊。同時,裝置支持在兩個隔離的網絡區域之間進行單向的、安全的數據交換,在數據傳遞過程中會對數據進行簽名驗證、內容過濾、有效性檢查等處理,以抵御病毒、黑客等惡意攻擊,確保數據的合法性和安全性。
3.3.光功率預測系統
光伏電站本地布置微型氣象站,采集光伏站的總輻照度、風速、風向、溫度、相對濕度、大氣壓力等信息,光功率預測系統通過采集到的實時氣象條件以及天氣預報、太陽能資源的動態變化,對太陽能光伏發電站的輸出功率進行短期和超短期的預測,從而幫助電力調度部門合理安排發電計劃,優化電網運行,減少因太陽能發電波動性帶來的電網不穩定風險,提高光伏發電的并網效率和經濟效益。
4
系統結構
本項目集成了一套分布式光伏監控系統Acrel-1000DP與光功率預測系統,系統結構采用分層分布式,分成站控層、通信層和設備層。
站控層負責對整個系統進行集中管理和控制。操作員可以實時監控系統狀態,進行數據分析與處理,從而實現對生產過程的智能調度與優化。
通信層負責信息傳遞與數據交互,確保各個設備和系統組件之間能夠無縫連接和協同工作,此外,通信層還可以支持多種網絡拓撲結構,適應不同規模和需求的應用場景,保證系統的靈活性和可擴展性。
設備層涵蓋了各種傳感器、執行器和控制器等硬件設備。這些設備負責采集現場數據并執行控制指令,是實現自動化操作的核心。
圖4.1系統拓撲圖
項目配置設備清單如下表所示:
表4.1 方案設備列表
5
現場圖片
圖 5.1 二次屏柜(預制艙內)
圖 5.2 一體化電源(預制艙內)
圖 5.3 一、二次預制艙
6
保護實驗
微機保護裝置作為電力系統的重要組成部分,其正式投入使用前的實驗環節至關重要。本項目對防孤島保護裝置的失壓跳閘功能要求較高,以此功能為例,介紹微機保護裝置的現場實驗步驟:
1)系統配置:在微機保護裝置上配置失壓保護功能,包括設置跳閘電壓定值、延時時間等參數;
2)初始測試:在正常電壓下,確保保護裝置處于正常工作狀態,無誤動作;
3)模擬失壓條件:使用繼電保護測試儀逐步降低輸出電壓,模擬電源電壓下降的情況,觀察微機保護裝置在電壓降低過程中的響應;
4)執行失壓跳閘實驗:將電壓降低至設定的跳閘定值以下,觀察保護裝置是否在預定時間內動作,切斷電路,記錄跳閘動作的電壓值和動作時間。
圖 6.1 定值
圖 6.2 失壓跳閘實驗
7
系統功能
7.1.光伏電站實時監測
系統主接線圖為光伏電站內新建的10kV開閉所一次系統圖,人機界面可以實時顯示采集到的各類數據,包括開關柜的電壓、電流和功率等關鍵參數,以及開關柜內斷路器、手車的分合狀態等。
圖7.1 實時監測
7.2.光伏發電功率預測
光功率預測系統通過本地氣象傳感器提供的氣象數據(包括總輻照度、風速、風向、溫度、相對濕度、大氣壓力等信息)以及天氣預報、實測功率、并網裝機容量等信息,利用算法和模型進行光伏發電系統超短期、短期的輸出功率預測,并通過曲線直觀展示。
7.3.電能質量在線監測
電能質量在線監測裝置采集#1、2#光伏并網接入點的電能質量信息,可以對整個供電系統的電能質量包括穩態狀態和暫態狀態進行持續監測。系統界面實時顯示裝置通信狀態、各監測點的A/B/C相電壓總畸變率、三相電壓不平衡度百分比和正序/負序/零序電壓值、三相電流不平衡度百分比和正序/負序/零序電流值,幫助管理人員實時掌握供電系統電能質量情況,以便及時發現和消除供電不穩定因素。
圖7.2 電能質量在線監測界面
7.4.光字牌
光字牌可以顯示電力系統中設備的運行狀態和系統的重要信息,為運行人員提供清晰的狀態指示和警示信號,包括二次設備的異常、跳閘信號,開關柜斷路器的分合位、手車位置、接地刀閘等信號。
圖7.3 光字牌界面
7.5.調度上傳
項目采集光伏電站內的各項關鍵數據,包括電流、電壓、有功功率、無功功率、功率因數、有功電能、無功電能以及斷路器的狀態等信息,通過數據通信終端采用無線公網作為傳輸通道接入地調系統,配置了縱向加密裝置來確保數據的安全性。
8
結語
在屋頂光伏發電項目中,分布式光伏監控系統可以實現能源資源的有效整合。系統通過對分散的光伏發電設備進行實時監控,能夠收集和分析各個發電單元的運行數據,本項目不僅涉及光伏發電的監控管理,還要進行無線上傳,為確保數據的安全性,項目特別配備了縱向加密和正反向隔離等防護裝置,以防止潛在的網絡攻擊和數據泄露。同時,搭配的光功率預測系統采用了數據分析技術,能夠實時掌握光照變化、設備狀態及發電效率,從而生成準確的光功率預測信息,幫助用戶更科學地規劃光伏發電與用電策略,實現經濟效益與環境效益的雙贏。




掃一掃添加微信